紧固件简介:不带倒角平垫圈 ISO 7089 DIN 125-1A NEN 2269
紧固件简介:平垫圈 ISO 7091 DIN 126 NEN 2268 NF E2
紧固件简介:平垫圈 L类型 NF E25-513技术参数:
紧固件简介:平垫圈LL系列 NF E25-513技术参数:
紧固件简介:平垫圈 M系列 NF E25-513技术参数:
紧固件简介:平垫圈 Z系列 NF E25-513技术参数:
紧固件简介:钢结构用垫圈 DIN 7989A技术参数:
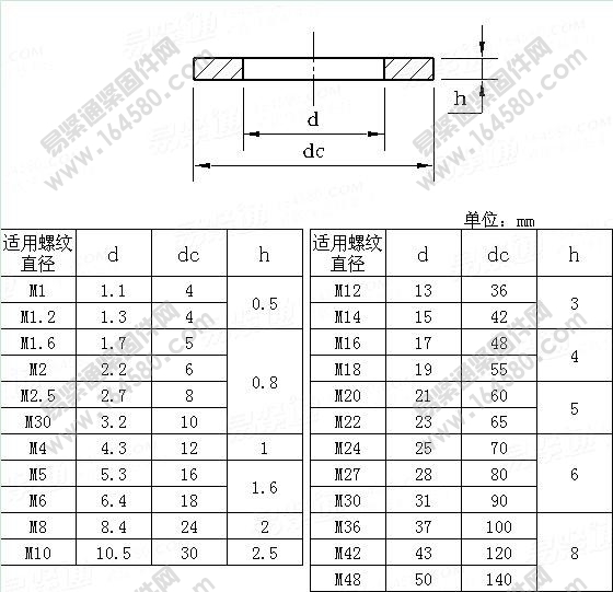
紧固件简介:重型弹性圆柱销用垫圈 DIN 7349 NEN 2274技术参数:
![平垫圈用于自攻螺钉和垫圈组合件|GB/T97.5-2002[标准 技术参数]](http://www.posttic.com/20150810/2015081010/20150810102205z2p12w3fuxe.jpg)
ISO 10669:1999 | GB /
![槽钢用方斜垫圈|GB853-88[标准 技术参数]](http://www.posttic.com/20150810/2015081010/201508101022491frol2xfwew.jpg)
UDC 621.882.4 | GB 85
![自攻螺钉和平垫圈组合件|GB/T9074.18-2002[标准 技术参数]](http://www.posttic.com/20150810/2015081010/20150810103906fsrfzcloyru.jpg)
ISO 10510:1999 | GB /

注:一只可发,不限起订数量,针对所有客户。产品名称 A4加

注:一只可发,不限起订数量,仅针对直接终端用户,同业客户不在此类。产品名称碳钢 DIN12

注:一只可发,不限起订数量,针对所有客户。货品名称 A2 D

产品名称8.8级 DIN931半牙外六角螺栓标准DIN931材质碳钢表面处理镀镍其他无需要

注:一只可发,不限起订数量,仅针对直接终端用户,同业客户不在此类。产品名称普碳钢 DIN1
![嘉兴[垫圈|平垫圈|不锈钢]螺丝厂供应SUS304-DIN9021不锈钢大平垫圈](http://www.posttic.com/20150825/201508Tuesday1055/20150825105523ap0ak3t2c0y.jpg)
嘉兴[垫圈|平垫圈|不锈钢]螺丝厂长时间供应SUS304-DIN9021不锈钢大平垫圈,(
![嘉兴[垫圈|弹簧垫圈|碳钢]螺丝厂供应碳钢 GB93-76弹簧垫圈-蓝白锌](http://www.posttic.com/20150825/201508Tuesday1132/20150825113243jul40vzw4xg.jpg)
嘉兴[垫圈|弹簧垫圈|碳钢]螺丝厂长时间供应碳钢GB93-76弹簧垫圈-蓝白锌,(同时嘉兴
![嘉兴[垫圈|锁紧垫圈]螺丝厂供应DIN6798J内锯齿锁紧垫圈-蓝白锌](http://www.posttic.com/20150825/201508Tuesday1134/201508251134265v40yrwkqrf.gif)
嘉兴[垫圈|锁紧垫圈]螺丝厂长时间供应DIN6798J内锯齿锁紧垫圈-蓝白锌,(同时嘉兴螺
![GB/T93-1987-标准型弹簧垫圈[标准|规格]](http://www.posttic.com/d/file/biaozhun/2015-10-20/84542698b7a70d420bf6f2f60161a364.jpg)
国标GB /T93-1987 GB93 93GB(GB93-76) 标准型弹簧垫圈
![GB/T9074.27-1988-组合件用外锯齿锁紧垫圈[标准|规格]](http://www.posttic.com/d/file/biaozhun/2015-11-04/cfb43398560b2df69ae1745a9fb49465.jpg)
国标GB /T9074.27-1988 GB9074.27 9074.27GB 组合件用外
![QC234-十字槽盘头螺钉与外锯齿锁紧垫圈组合[标准|规格]](http://www.posttic.com/d/file/biaozhun/2015-11-07/f56196be5e0d2b25d8378d3dc37c4e8d.jpg)
汽标QC 234 QC234 234QC(GB9074.2-1988) 十字槽盘头螺钉与外
![QC412-外锯齿锁紧垫圈[标准|规格]](http://www.posttic.com/d/file/biaozhun/2015-11-08/c7af02ae5dec3d3de55995de5e95564d.jpg)
汽标QC 412 QC412 412QC(GB862.2-1987) 外锯齿锁紧垫圈
![DIN6918-1990-钢结构U型梁高强度螺栓连接用方形垫圈[标准|规格]](http://www.posttic.com/d/file/biaozhun/2015-11-11/f4ee40709a060be721ebd21d7fb9f95a.jpg)
德标DIN 6918-1990 DIN6918 6918DIN 钢结构U型梁高强度螺栓连接
![DIN7989-2-钢结构用垫圈—产品等级A级[标准|规格]](http://www.posttic.com/d/file/biaozhun/2015-11-11/0c6f92c969b5c014c74c6684a97aeb07.jpg)
德标DIN 7989-2 DIN7989-2 7989-2DIN 钢结构用垫圈—产品等级A
![DIN7349-2009-带重型夹紧套的螺栓用平垫圈[标准|规格]](http://www.posttic.com/d/file/biaozhun/2015-11-21/2b4f6cfa6a0afb5571dfff610d5da1bd.jpg)
德标DIN 7349-2009 DIN7349 7349DIN 带重型夹紧套的螺栓用平垫圈
![淬硬钢垫圈-ASTMF436-1993(R2000)[标准|规格]](http://www.posttic.com/d/file/biaozhun/2015-12-05/28df3899528e2f3a00a26976045618cd.jpg)
美标ASTM F436-1993(R2000) ASTMF436 F436AST 淬硬钢垫
![公制外齿锁紧垫圈-IFI532-1982[标准|规格]](http://www.posttic.com/d/file/biaozhun/2015-12-06/d3221a49c553e693d73b6d551921270f.jpg)
美标IFI 532-1982 IFI532 532IFI 公制外齿锁紧垫圈
![加非金属垫圈的六角螺帽压紧光滑锥形垫圈A级-NFE25-417-1986[标准|规格]](http://www.posttic.com/d/file/biaozhun/2015-12-09/07428a4028544ba38831f7630b1d6afe.jpg)
法国标准NF E25-417-1986 NF25-417 25-417NF 加非金属垫圈的
![大垫圈-GOST6958-1978[标准|规格]](http://www.posttic.com/d/file/biaozhun/2015-12-14/6598ae7c86220f57351cd41aca6a65ea.jpg)
俄标GOST 6958-1978 GOST6958 6958GOST 大垫圈
![A级大垫圈-NFE25-530-2000[标准|规格]](http://www.posttic.com/d/file/biaozhun/2015-12-14/f6dc93c8797e16f55c2ddcb0f5c949e1.jpg)
法国标准NF E25-530-2000 NF25-530 25-530NF A级大垫圈
![C级特大垫圈-NFE25-532-2000[标准|规格]](http://www.posttic.com/d/file/biaozhun/2015-12-14/6059097f9d1196a49b6311b8747a764e.jpg)
法国标准NF E25-532-2000 NF25-532 25-532NF C级特大垫圈
![大平垫圈A级和C级-AS1237.1-2002[标准|规格]](http://www.posttic.com/d/file/biaozhun/2015-12-30/3c9c1bde0b4b5a3024fb6a2d04033bad.jpg)
澳标AS 1237.1-2002 AS1237.1 1237.1AS 大平垫圈 A级和C级