紧固件简介:不带倒角平垫圈 ISO 7089 DIN 125-1A NEN 2269
紧固件简介:平垫圈 ISO 7091 DIN 126 NEN 2268 NF E2
紧固件简介:平垫圈 L类型 NF E25-513技术参数:
紧固件简介:平垫圈LL系列 NF E25-513技术参数:
紧固件简介:平垫圈 M系列 NF E25-513技术参数:
紧固件简介:平垫圈 Z系列 NF E25-513技术参数:
紧固件简介:钢结构用垫圈 DIN 7989A技术参数:
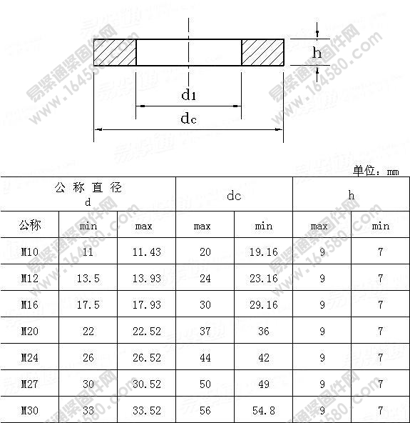
紧固件简介:重型弹性圆柱销用垫圈 DIN 7349 NEN 2274技术参数:
![锥面垫圈|GB850-88[标准 技术参数]](http://www.posttic.com/20150810/2015081010/20150810102227np5iw3liyid.jpg)
UDC 621.882.4 | GB 85
![槽钢用方斜垫圈|GB853-88[标准 技术参数]](http://www.posttic.com/20150810/2015081010/201508101022491frol2xfwew.jpg)
UDC 621.882.4 | GB 85
![内齿锁紧垫圈|GB861.1-87[标准 技术参数]](http://www.posttic.com/20150810/2015081010/20150810102340tlknrsq4fsk.jpg)
UDC 621.882.4 | GB 86
![特大垫圈C级|GB/T5287-2002[标准 技术参数]](http://www.posttic.com/20150810/2015081010/201508101024303wmt5psko02.jpg)
ISO 7094:2000 | GB /T
![塑料垫圈—标准系列|DIN34815[标准 技术参数]](http://www.posttic.com/20150810/2015081011/20150810110459shs1hiyctdi.jpg)
DIN 34815

A2-不锈钢弹簧螺母

产品名称GB7244重型碳钢弹簧垫圈标准GB7244材质弹簧钢表面处理发黑其他无需要咨询,

产品名称DIN6798A外锯齿锁紧垫圈标准DIN6798A材质碳钢表面处理蓝白锌其他无需要

注:一只可发,不限起订数量,针对所有客户。din9021尺寸标准 下载din9021千件重

注:一只可发,不限起订数量,针对所有客户。货品名称 A2 D

注:一只可发,不限起订数量,针对所有客户。产品名称A2 DIN125不锈钢平垫圈标准DIN

产品名称 碳钢 GB93-76弹簧垫圈 标准 GB93-76 材质
![六角螺母和六角薄螺母(双倒角或单面带垫圈面)|ASME/ANSIB18.2.21987(R1999)[标准 技术参数]](http://www.posttic.com/20150810/2015081011/20150810111849mo3fuekuyo4.jpg)
ASME/ANSI B18.2.2 198

产品名称 碳钢 GB93-76弹簧垫圈 标准 GB93-76 材质 碳钢 表

产品名称碳钢 GB93-76弹簧垫圈标准GB93-76材质碳钢表面处理发黑其他无需要咨询,

产品名称DIN6797J内齿锁紧垫圈标准DIN6797J材质碳钢表面处理蓝白锌其他无需要咨

注:一只可发,不限起订数量,仅针对直接终端用户,同业客户不在此类。产品名称碳钢 DIN12

产品名称A4-不锈钢弹簧螺母 标准材质A4-70(SUS316)表面处理本色

产品名称:不锈钢美标弹垫。执行标准:美标ANSI/ASMEB18.21.1标准。材质:SU

螺钉下面加一个垫圈主要为了减小压强,增大接触面积,保护接触面的作用,紧固件种类里面
![DIN988-1990-配合垫圈与支承垫圈[标准|规格]](http://www.posttic.com/d/file/biaozhun/2015-10-19/6fb6c1226a0951e72af70b5e9f3bdd6e.jpg)
德标DIN 988-1990 DIN988 988DIN 配合垫圈与支承垫圈
![GB/T9074.26-1988-组合件用弹簧垫圈[标准|规格]](http://www.posttic.com/d/file/biaozhun/2015-11-04/4de8312ff2680e45a79b1421264c2efe.jpg)
国标GB /T9074.26-1988 GB9074.26 9074.26GB 组合件用弹
![DIN434-1990-槽钢用方斜垫圈[标准|规格]](http://www.posttic.com/d/file/biaozhun/2015-11-11/3f5782bfa7c59f5138769c8736f83a47.jpg)
德标DIN 434-1990 DIN434 434DIN 槽钢用方斜垫圈
![DIN7989-2-钢结构用垫圈—产品等级A级[标准|规格]](http://www.posttic.com/d/file/biaozhun/2015-11-11/0c6f92c969b5c014c74c6684a97aeb07.jpg)
德标DIN 7989-2 DIN7989-2 7989-2DIN 钢结构用垫圈—产品等级A
![JB/ZQ4336-2006-弹性圆柱销用垫圈[标准|规格]](http://www.posttic.com/d/file/biaozhun/2015-11-13/de3f1bc93dfe192df13f54af4f814b0a.jpg)
原机械部JB /ZQ4336-2006 JB4336 4336JB(JB/ZQ4 弹性圆柱