紧固件简介:不带倒角平垫圈 ISO 7089 DIN 125-1A NEN 2269
紧固件简介:平垫圈 ISO 7091 DIN 126 NEN 2268 NF E2
紧固件简介:平垫圈 L类型 NF E25-513技术参数:
紧固件简介:平垫圈LL系列 NF E25-513技术参数:
紧固件简介:平垫圈 M系列 NF E25-513技术参数:
紧固件简介:平垫圈 Z系列 NF E25-513技术参数:
紧固件简介:钢结构用垫圈 DIN 7989A技术参数:
紧固件简介:重型弹性圆柱销用垫圈 DIN 7349 NEN 2274技术参数:
![标准型弹簧垫圈|GB93-87[标准 技术参数]](http://www.posttic.com/20150810/2015081010/20150810102107foasucav51l.jpg)
UDC 621.882.4 | GB 93
![大垫圈A级|GB/T96.1-2002[标准 技术参数]](http://www.posttic.com/20150810/2015081010/201508101021211av4k0irxew.jpg)
ISO 7093-1:2000 | GB
![自攻螺钉和平垫圈组合件|GB/T9074.18-2002[标准 技术参数]](http://www.posttic.com/20150810/2015081010/20150810103906fsrfzcloyru.jpg)
ISO 10510:1999 | GB /
![十字槽凹穴六角头自攻螺钉和大垫圈组合件|GB9074.21-88[标准 技术参数]](http://www.posttic.com/20150810/2015081010/20150810103920odzku02nngb.jpg)
UDC 621.882 | GB 9074
![平垫圈—带重型夹紧套螺栓用|DIN7349[标准 技术参数]](http://www.posttic.com/20150810/2015081011/20150810110452yyl0arz1fgp.jpg)
DIN 7349

注:一只可发,不限起订数量,仅针对直接终端用户,同业客户不在此类。产品名称普碳钢 DIN1

产品名称DIN6798A外锯齿锁紧垫圈标准DIN6798A材质碳钢表面处理蓝白锌其他无需要

货品名称 A2 GB861.2不锈钢内锯齿垫圈标准GB861
![六角头垫圈面螺栓|ASMEB18.2.11996[标准 技术参数]](http://www.posttic.com/20150810/2015081011/20150810111347obmvi2p2xvr.jpg)
ASME B18.2.1 1996

产品名称 碳钢 GB93-76弹簧垫圈 标准 GB93-76 材质

注:一只可发,不限起订数量,仅针对直接终端用户,同业客户不在此类。 产品名称 普
![弹性锁紧垫圈|JIS1251:2001[标准 技术参数]](http://www.posttic.com/20150810/2015081011/20150810114920yi5rxplinv1.jpg)
弹性锁紧垫圈JIS:
![嘉兴[垫圈|弹簧垫圈|碳钢]螺丝厂供应碳钢 美制弹簧垫圈-发黑](http://www.posttic.com/skin/diqu/images/pt.jpg)
嘉兴[垫圈|弹簧垫圈|碳钢]螺丝厂长时间供应碳钢美制弹簧垫圈-发黑,(同时嘉兴螺丝厂也接受
![嘉兴[全螺纹|螺柱]螺丝厂供应A193 B7全螺纹螺柱-特氟龙](http://www.posttic.com/skin/diqu/images/pt.jpg)
嘉兴[全螺纹|螺柱]螺丝厂长时间供应A193B7全螺纹螺柱-特氟龙,(同时嘉兴螺丝厂也接受
![ISO10669-1999-A级组合用大平垫用于自攻钉与垫圈组合件[标准|规格]](http://www.posttic.com/d/file/biaozhun/2015-10-24/80b2cb35275f0a6396bd2bd9209721e4.jpg)
国际标准ISO 10669-1999 ISO10669 10669ISO A级组合用大平垫
![QC141-六角头锥形弹性垫圈组合螺栓[标准|规格]](http://www.posttic.com/d/file/biaozhun/2015-11-07/f66c72ef1b5e9ffc75ae692937b96fa4.jpg)
汽标QC 141 QC141 141QC(Q600) 六角头锥形弹性垫圈组合螺栓
![QC415-组合用锥形锁紧垫圈[标准|规格]](http://www.posttic.com/d/file/biaozhun/2015-11-08/67ee1279a16a573409f2ce53d0827fa7.jpg)
汽标QC 415 QC415 415QC(GB9074.28-1988) 组合用锥形锁紧垫
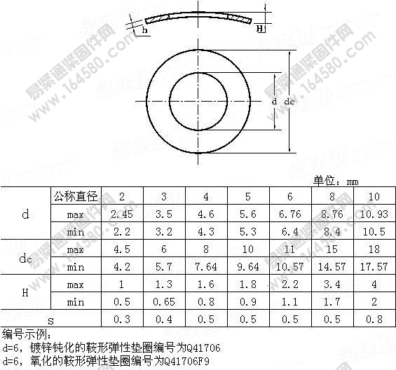
![QC417-鞍形弹性垫圈[标准|规格]](http://www.posttic.com/d/file/biaozhun/2015-11-08/ffa029359a39193589027756f2bfff93.jpg)
汽标QC 417 QC417 417QC(GB860-1987) 鞍形弹性垫圈
![淬硬钢垫圈-ASTMF436M-1993[标准|规格]](http://www.posttic.com/d/file/biaozhun/2015-12-05/4170ac010d667e7dcb9a2d8190726b80.jpg)
美标ASTM F436M-1993 ASTMF436M F436MASTM 淬硬钢垫圈
![球面垫圈-HG/T21573.4-1995[标准|规格]](http://www.posttic.com/d/file/biaozhun/2015-12-05/ae2f12dc23533025fffd9bc69cfd02b5.jpg)
化工标准HG /T21573.4-1995 HG21573.4 21573.4H 球面垫圈
![薄平垫圈倒角型A级-UNI1750[标准|规格]](http://www.posttic.com/d/file/biaozhun/2015-12-05/43edf30640edc8471a68aa6cd80a246a.jpg)
意大利UNI 1750 UNI1750 1750UNI 薄平垫圈 倒角型A级
![G型锥面垫圈-DIN6319G-2001[标准|规格]](http://www.posttic.com/d/file/biaozhun/2015-12-06/8281255fd5114196ab43ecb3abdbe18d.jpg)
德标DIN 6319 G-2001 DIN6319 G 6319 GDIN G型锥面垫圈
![L系列(大)平垫圈-NFE25-513[标准|规格]](http://www.posttic.com/d/file/biaozhun/2015-12-06/222c1b5796888a48c831a8f1aeb4483d.jpg)
法国标准NF E25-513 NF25-513 25-513NF L系列(大)平垫圈
![波形垫圈-JB/T7590-2005[标准|规格]](http://www.posttic.com/d/file/biaozhun/2015-12-06/7d6a58a7362e20b50c55ae36f943b6e1.jpg)
原机械部JB /T7590-2005 JB7590 7590JB 波形垫圈
![内齿锁紧垫圈-UNI8841J-1985[标准|规格]](http://www.posttic.com/d/file/biaozhun/2015-12-07/1e61c5e2ca50c09616077f3c66ed5ae3.jpg)
意大利UNI 8841J-1985 UNI8841J 8841JUNI 内齿锁紧垫圈