
产品名称4.8级 GB9074.4十字盘头三组合螺钉标准GB9074.4材质碳钢表面处理蓝

产品名称4.8级 GB9074.4十字盘头三组合螺钉标准GB9074.4材质碳钢表面处理蓝
![GB/T9074.27-1988-组合件用外锯齿锁紧垫圈[标准|规格]](http://www.posttic.com/d/file/biaozhun/2015-11-04/cfb43398560b2df69ae1745a9fb49465.jpg)
国标GB /T9074.27-1988 GB9074.27 9074.27GB 组合件用外
![QC242-十字槽半沉头螺钉与锥形外锯齿锁紧垫圈组合[标准|规格]](http://www.posttic.com/d/file/biaozhun/2015-11-07/023305a5abe1b6f4ed664d49ba7a0266.jpg)
汽标QC 242 QC242 242QC(GB9074.10-1988) 十字槽半沉头螺钉
![DIN6908-1990-组合件用锥形弹性垫圈[标准|规格]](http://www.posttic.com/d/file/biaozhun/2015-11-11/47bc08ddbbadc50cbeac39060088fe72.jpg)
德标DIN 6908-1990 DIN6908 6908DIN 组合件用锥形弹性垫圈
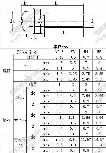
![十字盘头螺钉和平垫圈的组合-SJ2834-1987[标准|规格]](http://www.posttic.com/d/file/biaozhun/2015-12-10/9fcddfed67cf472fbab8baa4d4e485f8.jpg)
原电子工业部SJ 2834-1987 SJ2834 2834SJ 十字盘头螺钉和平垫圈的组
![六角头自攻螺钉和平垫组合-ISO10510-1999[标准|规格]](http://www.posttic.com/d/file/biaozhun/2015-12-14/32c58f29396840b67619bea7b22b07a6.jpg)
国际标准ISO 10510-1999 ISO10510 10510ISO 六角头自攻螺钉和
![六角头螺栓和平垫圈的组合-JISB1130-2012[标准|规格]](http://www.posttic.com/d/file/biaozhun/2015-12-30/e36cc871623a67cbd65c0a2c78d13049.jpg)
日标JIS B1130-2012 JIS1130 1130JIS 六角头螺栓和平垫圈的组合
![十字槽凹穴六角头螺栓和平垫组合-GB/T9074.11-1988[标准|规格]](http://www.posttic.com/d/file/biaozhun/2016-03-04/5d28f2595b36fd6adc60b9a93f13d643.jpg)
国标GB /T9074.11-1988 GB9074.11 9074.11GB 十字槽凹穴