紧固件简介: 公制内六角圆柱头螺钉 ISO 4762 DIN 9
紧固件简介: 公制内梅花槽圆柱头螺钉 ISO 14579
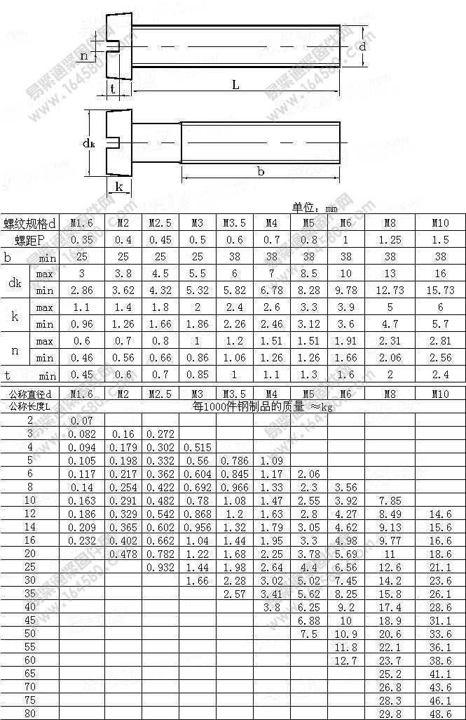
紧固件简介:公制内六角圆柱头螺钉(全牙) ISO ≈4762 DI
紧固件简介:公制细牙内六角圆柱头螺钉ANSI B18.3.1MNF E25-125 技术参
紧固件简介:英制粗牙内六角圆柱头螺钉 BS ≈2470 ANSI
紧固件简介:英制细牙内六角圆柱头螺钉1960 ANSI ≈B18.3
紧固件简介:英制粗牙内六角圆柱头螺钉1936 ANSI ≈B18.3
紧固件简介:英制细牙内六角圆柱头螺钉1936 ANSI ≈B18.3

紧固件简介:圆柱销(定位销) Parallel pin (dowel pin) ISO
![弹性圆柱销卷制标准型|GB/T879.4-2000[标准 技术参数]](http://www.posttic.com/20150810/2015081010/20150810102959iseljjqwij4.jpg)
ISO 8750:1997 | GB /T
![圆头滚花薄螺母|DIN467[标准 技术参数]](http://www.posttic.com/20150810/2015081011/20150810110643lu1yaehmbcr.jpg)
DIN 467

注:一只可发,不限起订数量,仅针对直接终端用户,同业客户不在此类。
![圆型套筒螺母—钢制|DIN1478[标准 技术参数]](http://www.posttic.com/20150810/2015081011/20150810110753bpwjmqojqd2.jpg)
DIN 1478

产品名称 A2-GB867半圆头实心铆钉 标准 GB867 材质 A2-70(

产品名称A2-GB119圆柱销标准GB119材质A2-70(SUS304)表面处理本色其他

产品名称45#钢HRC38-46 GB117圆锥销标准GB117材质45#钢表面处理本色其

产品名称A2-GB118内螺纹圆锥销标准GB118材质A2-70(SUS304)表面处理本

产品名称A2-DIN705侧面带孔圆螺母标准DIN705材质A2-70(SUS304)表面

产品名称45#钢HRC38-46 GB118内螺纹圆锥销标准GB118材质45#钢表面处理
![半圆头椭圆锥颈轨道用螺栓|ANSI/ASMEB18.101982(R2000)[标准 技术参数]](http://www.posttic.com/20150810/2015081011/20150810111637lgpj4nci33a.jpg)
ANSI/ASME B18.10 1982
![带槽圆螺母|GB817-88[标准 技术参数]](http://www.posttic.com/20150810/2015081010/20150810100935srehwroi5bo.jpg)
UDC 621.882.3 | GB 81
![自攻螺钉用十字槽平圆头型式与尺寸|AbstractofASMEB18.6.41998[标准 技术参数]](http://www.posttic.com/20150810/2015081011/201508101126222w30zjnfg0i.jpg)
Abstract of ASME B18.
![开槽球面圆柱头自攻螺钉|AbstractofASMEB18.6.41998[标准 技术参数]](http://www.posttic.com/20150810/2015081011/20150810112629fq5g4qrttx0.jpg)
Abstract of ASME B18.

产品名称12.9级ASME B18.3美制细牙圆柱头内六角螺丝标准ASME B18.3材质

产品名称GB65-85开槽圆柱头螺钉标准GB65-85材质碳钢表面处理蓝白锌其他无需要咨询
![开槽大扁圆头螺钉|DraftRevisionASMEB18.6.32002[标准 技术参数]](http://www.posttic.com/20150810/2015081011/20150810113103akv1qjqqxvo.jpg)
开槽大扁圆头螺钉

产品名称A2-GB119圆柱销标准GB119材质A2-70(SUS304)表面处理本色其他
![嘉兴[螺丝|内六角螺丝|内六角|圆柱头|六角]螺丝厂供应A4-ASME B18.3美制圆柱头内六角螺丝](http://www.posttic.com/20150825/201508Tuesday1021/20150825102134202a5sz12vd.jpg)
嘉兴[螺丝|内六角螺丝|内六角|圆柱头|六角]螺丝厂长时间供应A4-ASMEB18.3美制
![ISO1207-1992-开槽圆柱头螺钉[标准|规格]](http://www.posttic.com/d/file/biaozhun/2015-10-19/5de225ddfb26f4530a8d077aa809c54e.jpg)
国际标准ISO 1207-1992 ISO1207 1207ISO 开槽圆柱头螺钉
![ISO15481-1999-十字槽圆头钻尾自攻螺钉[标准|规格]](http://www.posttic.com/d/file/biaozhun/2015-10-23/20dcfee25c499d8cd60bdae63be2c5b3.jpg)
国际标准ISO 15481-1999 ISO15481 15481ISO 十字槽圆头钻尾自
![JISB1122-1996-十字槽球面圆柱头自攻钉[标准|规格]](http://www.posttic.com/d/file/biaozhun/2015-10-31/8f2f8cb3b4b311f6c6b60d8926ee4d17.jpg)
日标JIS B1122-1996 JIS1122 1122JIS 十字槽球面圆柱头自攻钉
![GB/T15-1988-大半圆头带榫螺栓[标准|规格]](http://www.posttic.com/d/file/biaozhun/2015-10-31/772e2d4ad3de6e6ffd1af3759db242dc.jpg)
国标GB /T15-1988 GB15 15GB(GB15-1976) 大半圆头带榫螺栓
![QC273-十字槽大半圆头自攻钉[标准|规格]](http://www.posttic.com/d/file/biaozhun/2015-11-06/fc0231bbee1ff30986d1a8c54fb8e79a.jpg)
汽标QC 273 QC273 273QC(Q602-1999) 十字槽大半圆头自攻钉