紧固件简介: 公制内六角圆柱头螺钉 ISO 4762 DIN 9
紧固件简介: 公制内梅花槽圆柱头螺钉 ISO 14579
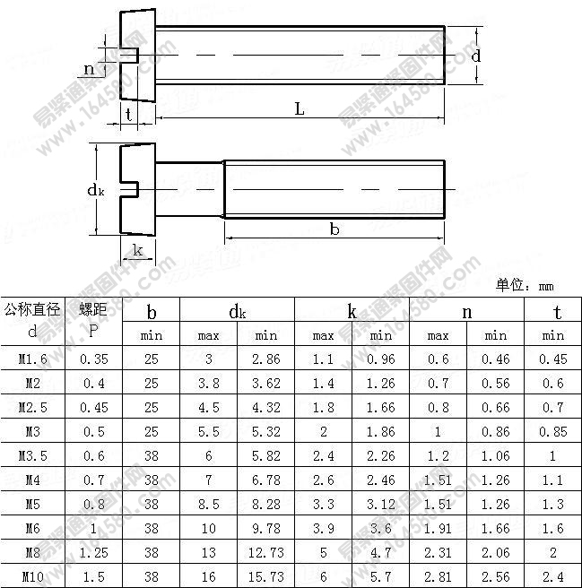
紧固件简介:公制内六角圆柱头螺钉(全牙) ISO ≈4762 DI
紧固件简介:公制细牙内六角圆柱头螺钉ANSI B18.3.1MNF E25-125 技术参
紧固件简介:英制粗牙内六角圆柱头螺钉 BS ≈2470 ANSI
紧固件简介:英制细牙内六角圆柱头螺钉1960 ANSI ≈B18.3
紧固件简介:英制粗牙内六角圆柱头螺钉1936 ANSI ≈B18.3
紧固件简介:英制细牙内六角圆柱头螺钉1936 ANSI ≈B18.3
![加强半圆头方颈螺栓|GB/T794-93[标准 技术参数]](http://www.posttic.com/20150810/2015081010/20150810100416murd3uyhzif.jpg)
GB /T794-93 | 代替 GB79
![弹性圆柱销—卷制—重型(ISO8748:1997)|DINENISO8748[标准 技术参数]](http://www.posttic.com/20150810/2015081010/20150810105417ho5ha00y1hg.jpg)
DIN EN ISO 8748 | Rep
![圆螺母—端面开槽|DIN546[标准 技术参数]](http://www.posttic.com/20150810/2015081011/20150810110721gii0j5t3vvj.jpg)
DIN 546

注:一只可发,不限起订数量,仅针对直接终端用户,同业客户不在此类。

东螺五金(又称:东螺在线或东螺紧固件商城),是主要面向国内大陆地区中小企业的紧固件在线

货品名称 A2 开口型拉铆螺母-圆柱竖纹小沉头标准GB178

产品名称A2-DIN705侧面带孔圆螺母标准DIN705材质A2-70(SUS304)表面
![大半圆头杆部滚花螺栓|ASMEB18.51990(R1998)[标准 技术参数]](http://www.posttic.com/20150810/2015081011/20150810111458qhdu5iiuuzm.jpg)
ASME B18.5 1990(R 199

产品名称A2-GB117圆锥销标准GB117材质A2-70(SUS304)表面处理本色其他

产品名称A2-GB12618.4开口型全不锈钢平圆头铆钉标准GB12618.4材质A2-7

产品名称DIN84开槽圆柱头螺钉标准DIN84材质碳钢表面处理蓝白锌其他无需要咨询,全部现
![带槽圆螺母|GB817-88[标准 技术参数]](http://www.posttic.com/20150810/2015081010/20150810100935srehwroi5bo.jpg)
UDC 621.882.3 | GB 81
![内六角低圆柱头螺钉|ASMEB18.32002[标准 技术参数]](http://www.posttic.com/20150810/2015081011/20150810112230wmt12goepyx.jpg)
ASME B18.3 2002

产品名称A2-GB119圆柱销标准GB119材质A2-70(SUS304)表面处理本色其他

产品名称 12.9级DIN912圆柱头内六角螺丝 标准 DIN912 材质 合

产品名称12.9级DIN915内六角圆柱端紧定机米标准DIN915材质合金钢表面处理发黑其
![球面圆锥头螺钉用十字槽型式与尺寸|DraftRevisionASMEB18.6.32002[标准 技术参数]](http://www.posttic.com/20150810/2015081011/20150810113138wmpahmc3s4i.jpg)
球面圆锥头螺钉用十字槽型式与尺寸
![半圆头螺钉用I型、IA型十字槽和III型方槽型式与尺寸|DraftRevisionASMEB18.6.32002[标准 技术参数]](http://www.posttic.com/20150810/2015081011/20150810113242dqbrqw30ihm.jpg)
半圆头螺钉用I型、IA型十字槽和III型方槽型式与尺寸
![大扁圆头和扁平头铆钉|ASMEB18.1.11972(R2001)[标准 技术参数]](http://www.posttic.com/20150810/2015081011/20150810113644zdrydwu1bhr.jpg)
大扁圆头和扁平头铆钉
![平圆头和大平圆头爆裂扩口结构自封闭式抽芯盲铆钉|IFI-1302003[标准 技术参数]](http://www.posttic.com/20150810/2015081011/20150810113904b0vdglv2iyr.jpg)
平圆头和大平圆头爆裂扩口结构自封闭式抽芯盲铆钉IFI-

产品名称 A2-GB867半圆头实心铆钉 标准 GB867 材质 A2-70(
![嘉兴[铆|铆钉|半圆头]螺丝厂供应A2-GB867半圆头实心铆钉](http://www.posttic.com/20150825/201508Tuesday1048/2015082510480324iz3hqokad.jpg)
嘉兴[铆|铆钉|半圆头]螺丝厂长时间供应A2-GB867半圆头实心铆钉,(同时也接受非标准
![嘉兴[螺钉|圆柱头|开槽]螺丝厂供应DIN84开槽圆柱头螺钉-蓝白锌](http://www.posttic.com/20150825/201508Tuesday1139/20150825113926civfnkkdl4n.jpg)
嘉兴[螺钉|圆柱头|开槽]螺丝厂长时间供应DIN84开槽圆柱头螺钉-蓝白锌,(同时嘉兴螺丝
![ISO14585-2001-梅花槽圆头自攻螺钉[标准|规格]](http://www.posttic.com/d/file/biaozhun/2015-10-23/ac21b360fd9970a007a742afd1ce275d.jpg)
国际标准ISO 14585-2001 ISO14585 14585ISO 梅花槽圆头自攻螺
![JISB1101-1996-开槽圆柱头螺钉(车制螺纹)[标准|规格]](http://www.posttic.com/d/file/biaozhun/2015-10-29/97a5cf547e58f11bdae8a6b917e65e29.jpg)
日标JIS B1101-1996 JIS1101 1101JIS 开槽圆柱头螺钉(车制螺纹