抽芯铆钉产品全名:A2-GB12618.4开口型不锈钢平圆头抽芯铆钉 抽芯铆钉标准
![扁圆头铆钉|GB871-86[标准 技术参数]](http://www.posttic.com/20150810/2015081010/20150810103222yasho5kpqus.jpg)
UDC 621.884 | GB 871-

产品名称 A2-GB868平锥头实心铆钉 标准 GB868 材质 A2-70(

产品名称A2-GB827半圆头标牌铆钉标准GB827材质A2-70(SUS304)表面处理

产品名称A2-GB872扁平头实心铆钉标准GB872材质A2-70(SUS304)表面处理

产品名称 A2-GB873扁圆头半空心铆钉 标准 GB873 材质 A2-70

产品名称A2-GB12618.4开口型全不锈钢平圆头铆钉标准GB12618.4材质A2-7

产品名称A2-GB12618.4开口型全不锈钢平圆头铆钉标准GB12618.4材质A2-7
![平头和沉头铆钉|ASMEB18.1.11972(R2001)[标准 技术参数]](http://www.posttic.com/20150810/2015081011/20150810113630flelon313ua.jpg)
平头和沉头铆钉
![半空心铆钉|JIS1215:1976[标准 技术参数]](http://www.posttic.com/20150810/2015081011/20150810115126goab2ykfb3z.jpg)
半空心铆钉JIS:

产品名称 A2-GB868平锥头实心铆钉 标准 GB868 材质 A2-70
![GB/T878-1986-外螺纹圆柱销(开槽无头螺钉)[标准|规格]](http://www.posttic.com/d/file/biaozhun/2015-10-20/c1d6ad936bdcdcb786096c43d8374495.jpg)
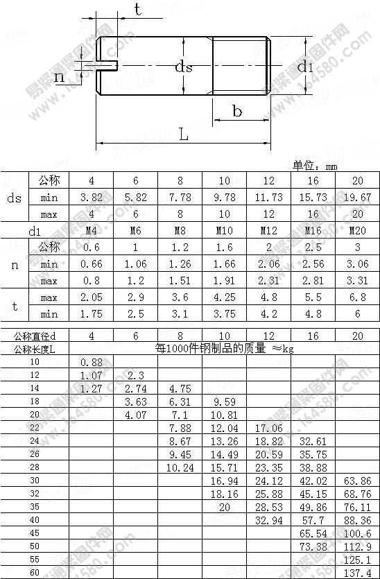
国标GB /T878-1986 GB878 878GB(GB878-76) 外螺纹圆柱销(
![JISB1213-1995-圆头实心铆钉[标准|规格]](http://www.posttic.com/d/file/biaozhun/2015-10-21/7bb558a72636022665581f798648b640.jpg)
日标JIS B1213-1995 JIS1213 1213JIS 圆头实心铆钉
![JISB1214-1995-锅用半沉头热打实心铆钉[标准|规格]](http://www.posttic.com/d/file/biaozhun/2015-10-21/1f1075216b797b916d5516c3932583dd.jpg)
日标JIS B1214-1995 JIS1214 1214JIS 锅用半沉头热打实心铆钉
![IFI117-2003-轻型开口圆头抽芯铆钉[标准|规格]](http://www.posttic.com/d/file/biaozhun/2015-11-08/3df2a6cc479dca1963cdb02d7babbd5a.jpg)
美标IFI 117-2003 IFI117 117IFI 轻型开口圆头抽芯铆钉
![ISO15977-2002-铝帽铁芯开口型圆头抽芯铆钉[标准|规格]](http://www.posttic.com/d/file/biaozhun/2015-11-10/1863b7111931819f8b734da4f3044a11.jpg)
国际标准ISO 15977-2002 ISO15977 15977ISO 铝帽铁芯开口型圆
![ISO15981-2002-铝帽铝芯开口型圆头抽芯铆钉[标准|规格]](http://www.posttic.com/d/file/biaozhun/2015-11-10/fc73c9159ff706cc947df2952cb5945d.jpg)
国际标准ISO 15981-2002 ISO15981 15981ISO 铝帽铝芯开口型圆
![开槽无头螺钉-DIN427-1986[标准|规格]](http://www.posttic.com/d/file/biaozhun/2015-12-06/bf12a4a4f18ff96bf2c56bafc4587128.jpg)
德标DIN 427-1986 DIN427 427DIN 开槽无头螺钉
![米制热锻粗制扁圆头实心铆钉-BS4620-1970[标准|规格]](http://www.posttic.com/d/file/biaozhun/2015-12-06/366dbf658ce417378f9792e0104d0d41.jpg)
英标BS 4620-1970 BS4620 4620BS 米制热锻粗制扁圆头实心铆钉
![椭圆头开口型铆钉Table8-ASME/ANSIB18.7-2001[标准|规格]](http://www.posttic.com/d/file/biaozhun/2015-12-15/ca2084ee5bef239d0d5f57dcee533e90.jpg)
美标ASME/ANSI B18.7-2001 ASME/ANSI18.7 18. 椭圆头开
![螺旋铆钉-QC/T865-2011[标准|规格]](http://www.posttic.com/d/file/biaozhun/2015-12-15/590a1ba092dc75d1a7f4f06501389aa3.jpg)
汽标QC /T865-2011 QC865 865QC 螺旋铆钉
![铆钉技术条件(材料、热处理及表面处理)-GB/T116-1986[标准|规格]](http://www.posttic.com/d/file/biaozhun/2015-12-31/960826b33734ee46d46faf867e31fcc6.jpg)
国标GB /T116-1986 GB116 116GB 铆钉技术条件(材料、热处理及表面处
![半圆头铆钉-GB/T867-1986[标准|规格]](http://www.posttic.com/d/file/biaozhun/2016-01-28/6793562160fb7d93176d330366436e05.jpg)
国标GB /T867-1986 GB867 867GB(GB867-1976) 半圆头铆钉
![封闭型扁圆头抽芯铆钉-QC442[标准|规格]](http://www.posttic.com/d/file/biaozhun/2016-02-18/11ffd92c6b5071f58d5aded9618fa5a7.jpg)
汽标QC 442 QC442 442QC(GB12615-1990) 封闭型扁圆头抽芯铆钉