12.9级DIN933/DIN931外六角螺栓-合金钢-发黑
产品名称 10.9
产品名称:不锈钢全牙外六角螺栓执行标准:DIN933标准符合标准:GB5783/ISO40
公制六角头螺栓 ISO 4014 DIN 931 B
公制六角头螺栓(带螺母) ISO 4016/- DIN 601
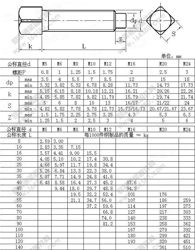
公制六角头螺栓(全牙) ISO 4017 DIN 933
细牙六角头螺栓: ISO 8765 DIN 960
细牙六角头螺栓(全牙) ISO 8676 DIN 961

12.9级DIN933/DIN931外六角螺栓-合金钢-发黑

紧固件简介:膨胀螺栓 Wall plug S 系列技术参数:
![六角头螺杆带孔螺栓|GB31.1-88[标准 技术参数]](http://www.posttic.com/20150810/2015081010/2015081010031733rergrxhr2.jpg)
UDC 621.882.6 | GB 31
![六角头头部带孔螺栓A和B级|GB32.1-88[标准 技术参数]](http://www.posttic.com/2015080816/20150808160344k1i4yb5jhfl.jpg)
UDC 621.882.6 | GB 32
![沉头双榫螺栓|GB800-88[标准 技术参数]](http://www.posttic.com/20150810/2015081010/20150810100440vgpjslzgc3f.jpg)
UDC 621.882.6 | GB 80
![六角头螺栓细牙|GB/T5785-2000[标准 技术参数]](http://www.posttic.com/20150810/2015081010/20150810100533pe3xu3jmpzu.jpg)
ISO 8765:1999 | GB /T

产品名称:不锈钢全牙外六角螺栓执行标准:DIN933标准符合标准:GB5783/ISO40

产品名称十字大扁头镀锌螺丝标准材质碳钢表面处理镀锌其他无需要咨询,全部现货,直接订购/部分

产品名称35CRMO-HG20613双头螺栓标准HG20613材质35CRMO表面处理其他

产品名称8.8级 DIN933全牙外六角螺栓标准DIN933材质碳钢表面处理热镀锌其他无需

注:一只可发,不限起订数量,仅针对直接终端用户,同业客户不在此类。产品名称45#钢 DIN
![淬硬方形斜垫圈和偏孔方形斜垫圈-锥度1:6|ASMEDRAFTRevisionB18.2.62003[标准 技术参数]](http://www.posttic.com/20150810/2015081011/20150810112058km4g1o05gi1.jpg)
ASME DRAFT Revision B

品名称 A4 GB5782 国标不锈钢外六角半牙螺栓标准GB

产品名称A2-DIN931不锈钢半牙外六角螺栓标准DIN931材质A2-70(SUS304

产品名称8.8级GB5783全牙外六角螺栓标准GB5783材质碳钢表面处理热镀锌其他无需要

产品名称35CRMO-HG20613双头螺栓标准HG20613材质35CRMO表面处理其他

产品名称 t型螺栓 标准 工业铝型材用t型螺栓 材质 低碳钢 表面处理 镍

产品名称:不锈钢普通型美制外六角螺栓,执行标准:美标ANSIB18.2.1标准。材质:SU

产品名称8.8级 GB5785细牙外六角螺栓-半牙标准GB5785材质碳钢表面处理发黑其他

产品名称8.8级GB27-88铰制孔用螺栓标准GB27-88材质碳钢表面处理发黑其他无需要

产品名称 10级 GB6170六角厚螺母 标准 GB6170 材质 碳钢 表
![嘉兴[螺栓|双头螺栓|HG20613]螺丝厂供应35CRMO-HG20613双头螺栓(M30-M36)](http://www.posttic.com/skin/diqu/images/pt.jpg)
嘉兴[螺栓|双头螺栓|HG20613]螺丝厂长时间供应35CRMO-HG20613双头螺栓
![DIN479-1985-四方头圆柱端紧定螺钉[标准|规格]](http://www.posttic.com/d/file/biaozhun/2015-10-20/b020f1896c674a4f0436e116e1801878.jpg)
德标DIN 479-1985 DIN479 479DIN 四方头圆柱端紧定螺钉
![ISO8676-1999-细牙六角头螺栓[标准|规格]](http://www.posttic.com/d/file/biaozhun/2015-10-23/a233e6320db4830fabe6c180807867e5.jpg)
国际标准ISO 8676-1999 ISO8676 8676ISO 细牙六角头螺栓
![ISO8678-1988-小半圆头矮方颈螺栓B级[标准|规格]](http://www.posttic.com/d/file/biaozhun/2015-10-23/b5d8b69959c06339d8fbccc46564d06b.jpg)
国际标准ISO 8678-1988 ISO8678 8678ISO 小半圆头矮方颈螺栓 B