开槽六角头螺钉(全牙) ISO ≈4017 DIN ≈933
紧固件简介: 公制内六角圆柱头螺钉 ISO 4762 DIN 9
紧固件简介: 公制内梅花槽圆柱头螺钉 ISO 14579
紧固件简介:公制内六角圆柱头螺钉(全牙) ISO ≈4762 DI
紧固件简介:公制细牙内六角圆柱头螺钉ANSI B18.3.1MNF E25-125 技术参
紧固件简介:英制粗牙内六角圆柱头螺钉 BS ≈2470 ANSI
紧固件简介:英制细牙内六角圆柱头螺钉1960 ANSI ≈B18.3
紧固件简介:英制粗牙内六角圆柱头螺钉1936 ANSI ≈B18.3
![开槽平端紧定螺钉|GB73-85[标准 技术参数]](http://www.posttic.com/20150810/2015081010/20150810101553jauqjvp3vi0.jpg)
UDC 621.882.219.4 | G
![开槽沉头不脱出螺钉|GB948-88[标准 技术参数]](http://www.posttic.com/20150810/2015081010/20150810102001cfk2xv35fxy.jpg)
UDC 621.882.2 | GB 94
![平垫圈用于螺钉和垫圈组合件|GB/T97.4-2002[标准 技术参数]](http://www.posttic.com/20150810/2015081010/201508101021585ovld2qe51e.jpg)
ISO 10673:1998 | GB /
![精密机械用紧固件十字槽自攻螺钉刮削端|GB/T13806.2-92[标准 技术参数]](http://www.posttic.com/20150810/2015081010/201508101027253bdehry2cq3.jpg)
GB /T 13806.2-92 |
![十字槽沉头螺钉和锥形锁紧垫圈组合件|GB9074.9-88[标准 技术参数]](http://www.posttic.com/20150810/2015081010/20150810103809weekbbujo22.jpg)
UDC 621.882 | GB 9074

注:一只可发,不限起订数量,仅针对直接终端用户,同业客户不在此类。

产品名称A2-HFHS不锈钢美制重型压铆螺钉标准材质A2-70(SUS304)表面处理本色

产品名称4.8级 GB9074.4十字盘头三组合螺钉标准GB9074.4材质碳钢表面处理蓝
![内六角圆柱头螺钉-头下带圆角过渡|ASMEB18.32002[标准 技术参数]](http://www.posttic.com/20150810/2015081011/20150810112215fln0rvry5wn.jpg)
ASME B18.3 2002
![六角凸缘头自攻螺钉|AbstractofASMEB18.6.41998[标准 技术参数]](http://www.posttic.com/20150810/2015081011/20150810112650r1lfd0nwwzz.jpg)
Abstract of ASME B18.

产品名称DIN85开槽盘头螺钉标准DIN85材质碳钢表面处理蓝白锌其他无需要咨询,全部现货
![小沉头螺钉用十字槽型式与尺寸|DraftRevisionASMEB18.6.32002[标准 技术参数]](http://www.posttic.com/20150810/2015081011/20150810112954pqaew4kyn0i.jpg)
Draft Revision ASME B
![螺钉用十字槽半圆头型式与尺寸|DraftRevisionASMEB18.6.32002[标准 技术参数]](http://www.posttic.com/20150810/2015081011/20150810113235szcgrgojvc3.jpg)
螺钉用十字槽半圆头型式与尺寸
![A型大翼形螺钉|IFI-1562002[标准 技术参数]](http://www.posttic.com/20150810/2015081011/20150810113317xlvfzqomtbx.jpg)
A型大翼形螺钉IFI-
![十字槽沉头木螺钉|ASMEB18.6.11981(R1997)[标准 技术参数]](http://www.posttic.com/20150810/2015081011/20150810113440aso0archwne.jpg)
十字槽沉头木螺钉
![开槽100°沉头小螺钉|ASMEB18.111961(R2000)[标准 技术参数]](http://www.posttic.com/20150810/2015081011/20150810113529tw1l4gk0vzc.jpg)
开槽°沉头小螺钉ASMEB.
![自钻自攻螺钉|JIS1125:2003[标准 技术参数]](http://www.posttic.com/20150810/2015081011/20150810114345ddesfalz3ub.jpg)
自钻自攻螺钉JIS:

产品名称8.8级 DIN931半牙外六角螺栓标准DIN931材质碳钢表面处理镀镍其他无需要

产品名称DIN963开槽沉头螺钉标准DIN963材质碳钢表面处理蓝白锌其他无需要咨询,全部

产品名称GB65-85开槽圆柱头螺钉标准GB65-85材质碳钢表面处理蓝白锌其他无需要咨询
![JISB1101-1996-开槽平圆头螺钉[标准|规格]](http://www.posttic.com/d/file/biaozhun/2015-10-28/1271fc0a7e6283d40204446206f435ec.jpg)
日标JIS B1101-1996 JIS1101 1101JIS 开槽平圆头螺钉
![DIN7997-1984-十字槽沉头木牙螺钉[标准|规格]](http://www.posttic.com/d/file/biaozhun/2015-10-31/81a2303e210128e13afa134a37042122.jpg)
德标DIN 7997-1984 DIN7997 7997DIN 十字槽沉头木牙螺钉
![GB/T13806.1-1992-精密机械用紧固件十字槽圆柱头螺钉[标准|规格]](http://www.posttic.com/d/file/biaozhun/2015-11-04/04060d99371905f69dc46b59b6e54ee4.jpg)
国标GB /T13806.1-1992 GB13806.1 13806.1GB 精密机械用
![GB/T2673-1986-内六角花形沉头螺钉[标准|规格]](http://www.posttic.com/d/file/biaozhun/2015-11-04/9f37389eb19b38a7f540bb576b527e30.jpg)
国标GB /T2673-1986 GB2673 2673GB(GB2673-19 内六角花
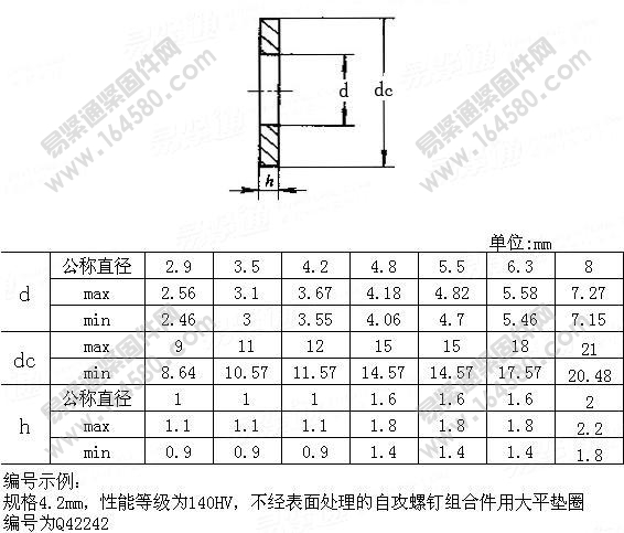
![QC422-自攻螺钉组合用大平垫[标准|规格]](http://www.posttic.com/d/file/biaozhun/2015-11-08/1ba0ca0d0f7f2f4aaed4f434567ab47c.jpg)
汽标QC 422 QC422 422QC(GB9074.30-1988) 自攻螺钉组合用大