12.9级DIN933/DIN931外六角螺栓-合金钢-发黑
产品名称 10.9
产品名称:不锈钢全牙外六角螺栓执行标准:DIN933标准符合标准:GB5783/ISO40
公制六角头螺栓 ISO 4014 DIN 931 B
公制六角头螺栓(带螺母) ISO 4016/- DIN 601
公制六角头螺栓(全牙) ISO 4017 DIN 933
细牙六角头螺栓: ISO 8765 DIN 960
细牙六角头螺栓(全牙) ISO 8676 DIN 961
![六角头头部带孔螺栓细牙A和B级|GB32.3-88[标准 技术参数]](http://www.posttic.com/20150810/2015081010/20150810100353cfxzqudolhw.jpg)
UDC 621.882.6 | GB 32

GB5782半牙外六角螺栓-10.9级,8.8级,A2-70,A4-70-碳钢,A2-70
![六角头螺栓—全螺纹—产品等级C级(ISO4018:1999)|DINENISO4018[标准 技术参数]](http://www.posttic.com/20150810/2015081010/20150810104242drf3fvvgwy4.jpg)
DIN EN ISO 4018 | Rep
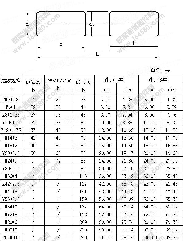
![双头螺柱—旋入端长度≈1.25d|DIN939[标准 技术参数]](http://www.posttic.com/20150810/2015081010/20150810104735apclzr3wjw4.jpg)
DIN 939
![沉头高方颈螺栓|DIN605[标准 技术参数]](http://www.posttic.com/20150810/2015081010/20150810105115ibu1aieazw1.jpg)
DIN 605

产品名称A4-14P不锈钢全牙外六角螺栓标准14P材质A4-70(SUS316)表面处理本

产品名称A2-GB37不锈钢T型螺栓标准GB37材质A2-70(SUS304)表面处理本色

产品名称A2美制重型外六角螺栓标准材质SUS304(A2-70)表面处理本色其他无需要咨询

产品名称10.9级GB5783全牙外六角螺栓标准GB5783材质碳钢表面处理发黑其他无需要

产品名称:A325高拉力重型外六角螺栓。执行标准:ASTM A325标准材质;45#钢表面

品名称 A4 GB5783 不锈钢全牙外六角螺栓标准GB57

产品名称 中标系列型材用T型螺栓 标准 中标10TS 14TS 材质 低碳钢

产品名称DIN580公制吊环螺栓标准DIN580材质碳钢表面处理蓝白锌其他无需要咨询,全部
![嘉兴[螺栓|外六角螺栓|外六角|不锈钢|六角|半牙]螺丝厂供应A4-DIN931 不锈钢半牙外六角螺栓(M6-M24)](http://www.posttic.com/20150825/201508Tuesday1019/20150825101942y2garnc4x0g.gif)
嘉兴[螺栓|外六角螺栓|外六角|不锈钢|六角|半牙]螺丝厂长时间供应A4-DIN931不锈
![嘉兴[螺栓|外六角螺栓|外六角]螺丝厂供应8.8级GB5783全牙外六角螺栓-发黑](http://www.posttic.com/20150825/201508Tuesday1104/2015082511042953uwc4ab50a.gif)
嘉兴[螺栓|外六角螺栓|外六角]螺丝厂长时间供应8.8级GB5783全牙外六角螺栓-发黑,
![ISO4015-1979-B级六角头细杆螺栓[标准|规格]](http://www.posttic.com/d/file/biaozhun/2015-10-22/481122bf0bb252deddbaf68c63517c40.jpg)
国际标准ISO 4015-1979 ISO4015 4015ISO B级六角头细杆螺栓
![DIN444-1983-活节螺栓[标准|规格]](http://www.posttic.com/d/file/biaozhun/2015-10-29/e7dcd2437ba45e047e11c52008ec606c.jpg)
德标DIN 444-1983 DIN444 444DIN 活节螺栓
![IFI528-1999-公制等长双头栓[标准|规格]](http://www.posttic.com/d/file/biaozhun/2015-11-06/cc0bed243dff533d3b5a4824f35d519b.jpg)
美标IFI 528-1999 IFI528 528IFI 公制等长双头栓
![EN14399-3-2005-预加负荷用高强度结构螺栓组件第4部分:HR系统六角头螺栓[标准|规格]](http://www.posttic.com/d/file/biaozhun/2015-11-09/9eff59a07643e6055802469c5794ab03.jpg)
欧标EN 14399-3-2005 EN14399-3 14399-3EN 预加负荷用高强
![JB/T6686-1993-12角头法兰面螺栓[标准|规格]](http://www.posttic.com/d/file/biaozhun/2015-11-14/3b7a7398cdab7d720ae39cc29bf42ec3.jpg)
原机械部JB /T6686-1993 JB6686 6686JB 12角头法兰面螺栓
![GB/T16674.2-2004-六角法兰面螺栓细牙小系列[标准|规格]](http://www.posttic.com/d/file/biaozhun/2015-11-22/c377934dfd62887a8bec760a22af7286.jpg)
国标GB /T16674.2-2004 GB16674.2 16674.2GB 六角法兰面
![全螺纹六角头螺栓-EN24017-1997[标准|规格]](http://www.posttic.com/d/file/biaozhun/2015-12-05/a8082ed96417c2d7c81023555092cc1c.jpg)
欧标EN 24017-1997 EN24017 24017EN 全螺纹六角头螺栓
![轨道螺栓用方螺母-ASME/ANSIB18.10-2006[标准|规格]](http://www.posttic.com/d/file/biaozhun/2015-12-11/180257054a2429898fc318bc254f0dc0.gif)
美标ASME/ANSI B18.10-2006 ASME/ANSI18.10 1 轨道螺栓
![标准型小六角头螺栓-JISB1180-2004[标准|规格]](http://www.posttic.com/d/file/biaozhun/2015-12-06/942c9cbd4b0afa61f4945188bf43ae60.jpg)
日标JIS B1180-2004 JIS1180 1180JIS 标准型小六角头螺栓
![粗制六角头螺栓-BS916-1953[标准|规格]](http://www.posttic.com/d/file/biaozhun/2015-12-08/56f27a34fe17662ad5f68ae71fc23707.jpg)
英标BS 916-1953 BS916 916BS 粗制六角头螺栓